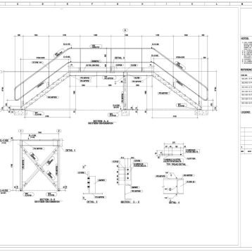
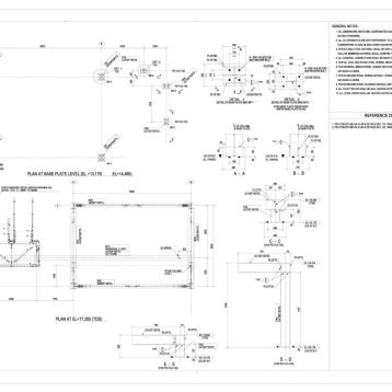
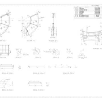
Structural Steel Platform Portfolio
For Steel Structural Platform engineering, platform steel detailing, and steel detailing projects, trust our expertise to bring your vision to life with precision and excellence








Other Portfolio
Structural Steel Platform Detailing
Structural Engineering
Derrick Structural Steel Detailing
Structural Engineering






